| 業務中心: | 0371-55696552 18037153049 |
您的當前位置:魯班培訓-一建培訓,二建培訓,監理,注冊安全工程師等 > 復習備考 > 備考指南 >
2016年二級建造師《施工管理》第三章同步練習
2Z103000 施工進度管理
2Z103010 建設工程項目進度控制的目標和任務
本節同步練習題
單項選擇題
3.建設工程項目總進度目標的控制是(A)項目管理的任務。(2013真題)
A.業主方 B.設計方 C.施工方 D.供貨方
14.建設工程施工進度控制中,業主方的任務是控制整個項目( A )的進度。(2013一建真題)
A.實施階段
B.訣策階段
C.項目全壽命周期
D.使用階段
5.在進行建設工程項目總進度目標控制前,首先應( D )。(2014真題)
A.進行項目結構分析
B.確定項目的工作編碼
C.編制各層進度計劃
D.分析和論證目標實施的可能性
4.建設工程項目總進度目標論證的工作包括:①項目結構分析②編制各層進度計劃③進度計劃系統的結構分析④項目的工作編碼。其正確的工作順序是(B)。(2013真題)
A.①③②④ B.①③④② C.③②①④ D.④①③②
13.根據建設工程項目總進度目標論證的工作步驟,在完成“項目結構分析”工作之后應立即進行的工作是( B )。(2013一建真題)
A.調查研究和收集資料
B.進度計劃系統的結構分析
C.項目的工作編碼
D.編制各層進度計劃
6.關于建設工程項目管理進度計劃系統的說法,正確的是( C )。(2014真題)
A.由多個相互獨立的進度計劃組成
B.由項目各參與方共同參與編制
C.其建立是逐步完善的過程
D.一個特定項目的進度計劃系統是唯一的
多項選擇題
5.建設工程項目總進度綱要的主要內容包括( ACDE )。 (2012一建真題)
A. 項目實施的總體部署 B. 項目結構分析
C. 總進度規劃 D. 確定里程碑事件的計劃進度目標
E. 總進度目標實現的條件
1.關于建設工程項目進度計劃系統的說法,正確的有(ACDE )。(2012真題)
A.項目進度計劃系統是項目進度控制的依據
B.項目進度計劃系統在項目實施前應建立并完善
C.項目各參與方可以編制多個不同的進度計劃系統
D.項目進度計劃系統中各計劃應注意聯系與協調
E.項目進度計劃系統可以有多個不同周期的進度計劃完成
2.按計劃的功能劃分,建設工程項目施工進度計劃分為(ACE)。(2013真題)
A.控制性進度計劃 B.指示性進度計劃 C.指導性進度計劃
D.總結性進度計劃 E.實施性進度計劃
3.關于建設工程項目進度控制的說法,正確的是( ADE )。(2014真題)
A.各參與方都有進度控制的任務
B.各參與方進度控制的目標和時間范疇相同
C.項目實施過程中不允許調整進度計劃
D.進度控制是一個動態的管理過程
E.進度目標的分析論證是進度控制的一個環節
在項目實施階段,項目總進度計劃包括( ABDE )(2015真題)
招標工作進度
設計工作進度
保修工作進度
工程施工進度
物資采購工作進度
2Z103020 施工進度計劃的類型及其作用
本節同步練習題
單項選擇題
20.施工企業的施工生產計劃與建設工程項目施工進度計劃的關系是(C)。(2013真題)
A. 施工生產計劃是項目施工進度計劃的集合
B. 屬同一個計劃系統,但范圍不同
C. 屬兩個不同系統的計劃,但兩者緊密相關
D. 屬兩個不同系統的計劃,兩者之間沒有關系
19.下列進度計劃中,屬于實施性施工進度計劃的是(C)。(2012真題)
A.項目施工總進度計劃 B.項目施工年度計劃
C.項目月度施工計劃 D.企業旬施工生產計劃
設計進度計劃主要是確定各設計階段的( C )(2015真題)
專業協調計劃 B.設計工作量計劃
C.出圖計劃 D.設計人員配置計劃
工程項目的施工總進度計劃屬于( D )(2015真題)
項目的施工總進度方案 B項目的指導性施工進度計劃
C.項目的施工年度施工計劃 D.項目的控制性施工進度計劃
(二)多項選擇題
6.關于實施性施工進度計劃作用的說法,正確的有 ( CD )。(2014真題)
A.作為編制單位工作施工進度計劃的依據
B.論證施工總進度目標
C.確定一個月度的資源需求
D.確定施工作業的具體安排
E.確定里程碑事件的進度目標
2Z103030 施工進度計劃的編制方法
本節同步練習題
單項選擇題
29.關于橫道圖進度計劃表的說法,正確的是( A )。(2014真題)
A.可以將工作簡要說明直接放到橫道圖上
B.計劃調整比較方便
C.可以直觀地確定計劃的關鍵線路
D.工作邏輯關系易于表達清楚
25.某網絡計劃中,工作A的緊后工作是B和C,工作B的最遲開始時間是14,最早開始時間是10;工作C的最遲完成時間是16,最早完成時間是14;工作A與工作B和工作C的間隔時間均為5天,工作A的總時差為(B )天。(2012真題)
A.3 B.7 C.8 D.10
26.某網絡計劃中,工作M的最早完成時間是第8天,最遲完成時間是13天,工作的持續時間是4天,與所有緊后工作的間隔時間最小值是2天,則該工作的自由時差為(A)天。(2012真題)
A.2 B.3 C.4 D.5
27.某工程網絡計劃中,工作N最早完成時間為17天,持續時間為5天,改工作有三項緊后工作,他們的最早開 始時間分別為第25天、第27天和第30天,則工作N的自由時差為(D)天。(2013真題)
A、7 B、2 C、3 D、8
28.雙代號網絡圖中,工作是用(B)表示的。(2013真題)
A. 節點及其編號 B. 箭線及其兩端節點編號
C. 箭線及其起始節點編號 D. 箭線及其終點節點編號
30.雙代號網絡計劃中的關鍵線路是指( D )。(2014真題)
A.總時差為零的線路
B.總的工作持續時間最短的線路
C.一經確定,不會發生轉移的線路
D.自始至終全部由關鍵線路工作組成的線路
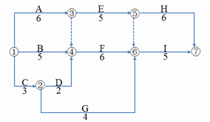
31.雙代號網絡計劃如下圖所示(時間單位:天)。,其計算工期是( B )天。(2014真題)

A.16 B.17 C.18 D.20
32.單代號網絡計劃如下圖所示(時間單位:天)工作C的最遲開始時間是( D )。(2014真題)

A.0 B.1 C.3 D.4
33.關于雙代號網絡圖繪圖規則的說法,正確是( C )。(2014真題)
A.箭線不能交叉
B.關鍵工作必須安排在圖面中心
C.只有一個起點節點
D.工作箭線只能用水平線
35.根據下列邏輯關系表繪制的雙代號網絡圖如下圖所示,其存在的錯誤是( )。 (2012一建真題)

A有多個終點節點 B節點編號不對 C邏輯關系不對 D有多個起點節點
36.某工程雙代號時標網絡計劃如下圖所示(時間單位:周),工作A的總時差為( D )周。(2012一建真題)

A. 0 B. 2 C. 3 D. 1
37.由分部工程雙代號網絡計劃如下圖所示,則工作 C 的自由時差為( D )天。(2013一建真題)

A.1 B.2 C.3 D.0
某單代號網絡計劃如下圖所示(時間單位:天),其計算工期是( A )天(2015真題)

A.15 B.12 C.11 D10
根據雙代號網絡圖繪規則,下列網絡圖中錯誤有(A)處(2015真題)

A.5 B.4 C.3 D.2
某雙代號網絡計劃如下面所示(時間單位,天)其關鍵線路有( C)條。(2015真題)

A.4 B.3 C.2 D.1
某單代號網絡計劃如下圖所示(時間單位,天)工作5的最遲完成時間是( B )(2015真題)

A.10 B.9 C.8 D.7
某工程雙代號時標網絡計劃如下圖所示,則工作B的自由時差和總時差(B )(2015真題)

A.均為2周 B.分別為2周和4周 C.均為4周 D.分別為3周和4周
建設工程項目的實施性施工進度計劃是指( D )(2015真題)
季度施工計劃和月度施工計劃
單位施工計劃和月度施工計劃
季度施工計劃和單位工程施工計劃
月度施工計劃和旬施工作業計劃
多項選擇題
9.某工程施工進度計劃如圖所示,下列說法中,正確的有(ACDE)。(2012真題)

A.R的緊后工作有A、B B.E的緊前工作只有C
C.D的緊后工作只有F D.P沒有緊前工作
E.A、B的緊后工作都有D
10.關于雙代號網絡計劃的說法,正確的有( BC)。(2012真題)
A.可能沒有關鍵線路
B.至少有一條關鍵線路
C.在計算工期等于計劃工期時,關鍵工作為總時差為零的工作
D.在網絡計劃執行工程中,關鍵線路不能轉移
E.由關鍵節點組成的線路,就是關鍵線路
11.某雙代號網絡計劃如下圖所示,圖中存在的繪圖錯誤有(ABC)。(2013真題)

A.多個終點節點 B.節點編號重復 C.兩項工作有相同的節點編號
D.循環回路 E.多個起點節點
12.某分部工程的單代號網絡計劃如圖所示(時間單位:天),正確的有( BCD )。(2014真題)

A.有兩條關鍵線路
B.計算工期為15
C.工作G的總時差和自有時差均為4
D.工作D和I之間的時間間隔為1
E.工作H的自由時差為2
13.某分部工程雙代號網絡計劃如下圖所示,其存在的繪圖錯誤有(BCE )。(2013一建真題)

A.多個終點節點
B.多個起點節點
C.節點編號有誤
D.存在循環回路
E.有多余虛工作
某鋼筋混凝土基礎工程,包括支模板、綁扎鋼筋、澆筑混凝土三道工序,每道工序安排一個專業施工隊進行,分三段施工,各工序在一個施工段上的作業時間分別3天,2天、1天、關于其施工網絡計劃的說法,正確的有( BDE )(2015真題)
節點⑤最早時間是5
工作-是關鍵工作
虛工作-⑤是多余
只有1條關鍵線路
工作⑤-⑥是非關鍵工作
79建設工程項目實施性施工計劃的主要作用有( ABC )(2015真題)
確定施工用業的具體安排 B.確定計劃期內的人、機、料需求
C.確定計劃期內的資金需求 D.確定控制性進度計劃的關健指標
E.確定里程碑計劃節點
2Z103040 施工進度控制的任務和措施
本節同步練習題
(一)單項選擇題
施工進度控制的主要工作環節包括:①編制資源需求計劃;②編制施工進度計劃;③組織進度計劃的實施;④施工進度計劃的檢查與調整。其正確的工作程序是(B)。(2015真題) A.①—②—③—④ B.②—①—③—④ C.②—①—④—③ D.①—③—②—④
38.下列進度控制措施中,屬于管理措施的是(B)。(2012真題)
A.編制工程資源需求計劃 B.應用互聯網進行進度計劃
C.制定進度控制工作流程 D.選擇先進的施工技術
39.下列建設工程項目進度控制的措施中,屬于技術措施的是(D)。(2013真題)
A確定各類進度計劃的審批程序
B選擇合理的合同結構
C選擇工程承發包方式
D 優化項目的設計方案或施工方案
40.下列施工方進度控制的措施中,屬于技術措施的是( B )。(2014真題)
A.確定進度控制的工作流程
B.優化施工方案
C.選擇合適的施工承發包方式
D.選擇合理的合同結構
下列施工進度控制措施中,屬于管理措施的是( C )(2015真題)
編制進度控制工作流程 B.優選施工方案
C.重視信息技術的應用 D.進行進度控制的會議組織設計
多項選擇題
17.施工進度計劃檢查后,應編制進度報告,其內容有(ABDE)。(2013真題)
A.進度計劃實施情況的綜合描述
B.實際工程進度與計劃進度的比較
C.前一次進度計劃檢查提出問題的整改情況
D.進度計劃在實施過程中存在的問題的整改情況
E.進度的預測
18.施工方進度控制工作的主要環節包括( ABD )。(2014真題)
A.編制施工進度計劃及相關資源需求計劃
B.組織施工進度計劃的實施
C.確定施工項目的進度目標
D.施工進度計劃的檢查與調整
E.論證施工項目的進度目標
19.下列進度控制措施中,屬于經濟措施的有( CDE )。(2012一建真題)
A.編制進度控制工作流程
B.選用恰當的承發包形式
C.按時支付工程款項
D.設立提前完工獎
E.拖延完工予以處罰
20.下列進度控制的措施中,屬于組織措施的有( DE )。(2013一建真題)
A.選擇承發包模式
B.進行工程進度的風險分析
C.落實資金供應的條件
D.編制項目進度控制的工作流程
E.進行有關進度控制會議的組織設計
施工方進度計劃的調整內容有( BCDE )(2015真題)
合同工期目標的調整 B.工程量的調整
C.工作起止時間的調整 D.工作關系的調整
E資源提拱條件的調整
魯班培訓河南分校-河南魯班培訓,主營:建造師培訓、消防工程師培訓、造價工程師、監理工程師、安全工程師等建筑人才及企業人才培訓。
猜你喜歡
真題及解析
鄭州




